鋁型材配件
Product accessories
    Product accessories
聯系APAS / Contact us
- 地址:天津市西青經濟技術開發區賽達國際工業城A3-2.
- 郵箱:lxc@apas.com.cn
- 電話:022-87920088
- 傳真:請聯系網絡管理員
- 郵編:300385
- 咨詢熱線:13702119190(24小時服務熱線)
						    鋁型材連接配件 / Aluminum profile fittings
					    
						
						產品名稱 / Name
										鋁型材斜角連接件
									產品描述 / Describe 
										斜角連接件屬于30系列、40系列、45系列標準緊固連接件,用于兩根型材之間斜角緊固連接(90度直角除外),可以根據應用需求進行加工組裝;利用斜角連接件組裝鋁型材框架需要對型材進行嚴格的加工處理,然后將連接件置入型材工藝孔內,實現緊固連接;
										 022-87920088
022-87920088
										可以根據需求進行設計加工,提供上門安裝服務;可以根據特殊需求進行鋁型材開模定制。
*  免費提供工業鋁型材選型手冊       →點擊咨詢
									|   | 
|     | 
| 
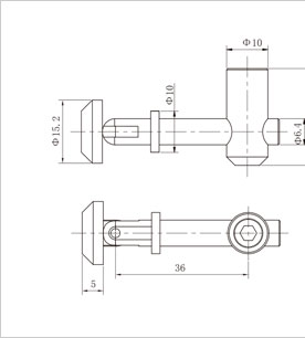
					(鋁型材斜角連接件二維參數)
				 | 
| ? | 
| 
					鋁型材槽型
				 | 
					材質
				 | 
					訂貨編號
				 | 
| 
					槽8
				 | 
					45#電鍍鋼
				 | 
					CE-QC8-30
				 | 
| 
					槽8
				 | 
					碳鋼(鍍鋅或鍍鎳)
				 | 
					CE-QC8-40
				 | 
| 
					槽10
				 | 
					碳鋼(鍍鋅或鍍鎳)
				 | 
					CE-QC10-45
				 | 
| ? | 
| 斜角連接件主要適用于兩支工業鋁型材斜角緊固連接(90度除外),裝配時需要對根據技術需求鋁型材進行精加工處理,然后將斜角連接件置入型材孔內,利用工具緊固即可實現快速連接; | 
?
 聯系APAS/ Contact us
聯系APAS/ Contact us
            天津艾普斯工業鋁型材股份有限公司
聯系電話:022-87920088
企業傳真:(避免惡意廣告)請聯系該企業網絡管理員
服務熱線:13702119190 (24小時服務熱線)
Q Q:534973906
企業郵箱: lxc@apas.com.cn
企業地址:天津市西青經濟技術開發區賽達國際工業城A3-2
    聯系電話:022-87920088
企業傳真:(避免惡意廣告)請聯系該企業網絡管理員
服務熱線:13702119190 (24小時服務熱線)
Q Q:534973906
企業郵箱: lxc@apas.com.cn
企業地址:天津市西青經濟技術開發區賽達國際工業城A3-2
 采購意向留言:*  為必填
采購意向留言:*  為必填

 
				 首頁
首頁 
    
-02工廠車間工作臺主圖.jpg)

 
											








 
				 QQ咨詢
QQ咨詢
			 電話聯系
電話聯系
			 聯系電話
聯系電話
					
 在線留言
在線留言
			 樣冊下載
樣冊下載
			 
			 
				