鋁型材配件
Product accessories
    Product accessories
聯系APAS / Contact us
- 地址:天津市西青經濟技術開發區賽達國際工業城A3-2.
- 郵箱:lxc@apas.com.cn
- 電話:022-87920088
- 傳真:請聯系網絡管理員
- 郵編:300385
- 咨詢熱線:13702119190(24小時服務熱線)
						    鋁型材連接角件 / Corner connector
					    
						
						產品名稱 / Name
										鋁型材角件【單槽】
									產品描述 / Describe 
										單槽鋁型材角件主要適用于標準(3030/4040/4545等規格)鋁型材框架快速組裝,可以配合圓柱頭螺栓加T型螺母會T型螺栓加法蘭螺母實現快速緊固連接,是較為常用的高強度型材框架連接配件;
										 022-87920088
022-87920088
										可以根據需求進行設計加工,提供上門安裝服務;可以根據特殊需求進行鋁型材開模定制。
*  免費提供工業鋁型材選型手冊       →點擊咨詢
									|   | 
|     | 
| 
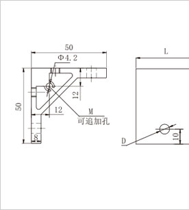
					(鋁型材角件【單槽】二維參數)
				 | 
| ? | 
| 
					鋁型材規格
				 | 
					L(mm)
				 | 
					D(mm)
				 | 
					M
				 | 
					材質
				 | 
					訂貨編號
				 | 
| 
					30×30
				 | 
					26
				 | 
					φ6.5/φ8.5
				 | 
					M5
				 | 
					6063-T5(鋁鎂合金)
				 | 
					CE-L5050-3026
				 | 
| 
					40×40
				 | 
					76
				 | 
					φ8.5
				 | 
					M5
				 | 
					6063-T5(鋁鎂合金)
				 | 
					CE-L5050-4076
				 | 
| 
					45×45
				 | 
					41
				 | 
					φ8.5
				 | 
					M5
				 | 
					6063-T5(鋁鎂合金)
				 | 
					CE-L5050-4541
				 | 
| 
					50×50
				 | 
					46
				 | 
					φ8.5
				 | 
					M5
				 | 
					6063-T5(鋁鎂合金)
				 | 
					CE-L5050-5046
				 | 
| ? | 
| 型材角件與工業鋁型材生產工藝相同,屬于6063-T5鋁擠壓型材,最大長度為6020mm,可以根據技術需求進行切割加工處理,主要用于鋁型材框架90度直角連接,具有很高的物理強度;型材角件與鑄鋁角間不同之處在于強度及韌性,鋁型材角件具有很強的韌性不容易炸裂; | 
?
 聯系APAS/ Contact us
聯系APAS/ Contact us
            天津艾普斯工業鋁型材股份有限公司
聯系電話:022-87920088
企業傳真:(避免惡意廣告)請聯系該企業網絡管理員
服務熱線:13702119190 (24小時服務熱線)
Q Q:534973906
企業郵箱: lxc@apas.com.cn
企業地址:天津市西青經濟技術開發區賽達國際工業城A3-2
    聯系電話:022-87920088
企業傳真:(避免惡意廣告)請聯系該企業網絡管理員
服務熱線:13702119190 (24小時服務熱線)
Q Q:534973906
企業郵箱: lxc@apas.com.cn
企業地址:天津市西青經濟技術開發區賽達國際工業城A3-2
 采購意向留言:*  為必填
采購意向留言:*  為必填

 
				 首頁
首頁 
    


.jpg) 
											








 
				 QQ咨詢
QQ咨詢
			 電話聯系
電話聯系
			 聯系電話
聯系電話
					
 在線留言
在線留言
			 樣冊下載
樣冊下載
			 
			 
				