鋁型材配件
Product accessories
    Product accessories
聯系APAS / Contact us
- 地址:天津市西青經濟技術開發區賽達國際工業城A3-2.
- 郵箱:lxc@apas.com.cn
- 電話:022-87920088
- 傳真:請聯系網絡管理員
- 郵編:300385
- 咨詢熱線:13702119190(24小時服務熱線)
						    鋁型材連接角件 / Corner connector
					    
						
						產品名稱 / Name
										45度雙槽鋁型材角件
									產品描述 / Describe 
										45度雙槽鋁型材角件主要應用于如:6060、8080、9090、100100等規格鋁型材45度或135度角連接,主要適用于高承載重型鋁型材框架結構,搭配專用配件可實現快速組裝,是較為常用的鋁型材配件之一;
										 022-87920088
022-87920088
										可以根據需求進行設計加工,提供上門安裝服務;可以根據特殊需求進行鋁型材開模定制。
*  免費提供工業鋁型材選型手冊       →點擊咨詢
									|   | 
|     | 
| 
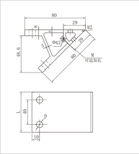
					(45度鋁型材強力角件【雙槽】二維參數)
				 | 
| ? | 
| 
					鋁型材規格
				 | 
					L(mm)
				 | 
					M
				 | 
					D(mm)
				 | 
					材質
				 | 
					訂貨編號
				 | 
| 
					60×60
				 | 
					56
				 | 
					M5
				 | 
					φ6.5/φ8.5
				 | 
					6063-T5
				 | 
					CE-L8080-3056
				 | 
| 
					80×80
				 | 
					76
				 | 
					M5
				 | 
					φ8.5
				 | 
					6063-T5
				 | 
					CE-L8080-4076
				 | 
| 
					90×90
				 | 
					86
				 | 
					M5
				 | 
					φ8.5
				 | 
					6063-T5
				 | 
					CE-L8080-4586
				 | 
| 
					100×100
				 | 
					96
				 | 
					M5
				 | 
					φ8.5
				 | 
					6063-T5
				 | 
					CE-L8080-5086
				 | 
| ? | 
| 45度雙槽鋁型材角件主要應用于大截面規格鋁型材框架45度或135度結構緊固連接,如:6060、8080、9090、100100等規格鋁型材,需搭配專用圓柱頭及T型螺母或T型螺栓及法蘭螺母實現快速組裝; | 
?
 聯系APAS/ Contact us
聯系APAS/ Contact us
            天津艾普斯工業鋁型材股份有限公司
聯系電話:022-87920088
企業傳真:(避免惡意廣告)請聯系該企業網絡管理員
服務熱線:13702119190 (24小時服務熱線)
Q Q:534973906
企業郵箱: lxc@apas.com.cn
企業地址:天津市西青經濟技術開發區賽達國際工業城A3-2
    聯系電話:022-87920088
企業傳真:(避免惡意廣告)請聯系該企業網絡管理員
服務熱線:13702119190 (24小時服務熱線)
Q Q:534973906
企業郵箱: lxc@apas.com.cn
企業地址:天津市西青經濟技術開發區賽達國際工業城A3-2
 采購意向留言:*  為必填
采購意向留言:*  為必填

 
				 首頁
首頁 
    


.jpg) 
											








 
				 QQ咨詢
QQ咨詢
			 電話聯系
電話聯系
			 聯系電話
聯系電話
					
 在線留言
在線留言
			 樣冊下載
樣冊下載
			 
			 
				