鋁型材配件
Product accessories
Product accessories
聯系APAS / Contact us
- 地址:天津市西青經濟技術開發區賽達國際工業城A3-2.
- 郵箱:lxc@apas.com.cn
- 電話:022-87920088
- 傳真:請聯系網絡管理員
- 郵編:300385
- 咨詢熱線:13702119190(24小時服務熱線)
鋁型材支撐配件 / Support fittings
產品名稱 / Name
金屬蹄腳
產品描述 / Describe
金屬蹄腳主要適用于高承載鋁型材框架底部支撐作用,具有多種規格,分別適用于不同規格工業鋁型材所設計搭建的框架系統/設備框架,選型時需要嚴格參照金屬蹄腳以及鋁型材框架技術參數,以避免影響其物理性能;
022-87920088
可以根據需求進行設計加工,提供上門安裝服務;可以根據特殊需求進行鋁型材開模定制。
* 免費提供工業鋁型材選型手冊 →點擊咨詢
|
|
| ? |
| 金屬蹄腳屬于高強度支撐配件,主要適用于高承載工業鋁型材框架/支架以及采用鋁型材搭建的重型設備框架結構,起支撐作用;金屬蹄腳具有多種規格,分別適用于不同承載能力的鋁型材框架結構,在選型時須嚴格按照其物理性能進行選型,以避免影響其使用性能; |
| ? |
![]() ![]()
|
|
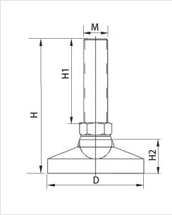
(鋁型材框架/支架用金屬蹄腳二維參數)
|
| ? |
|
H(mm)
|
H1(mm)
|
H2(mm)
|
D(mm)
|
M(mm)
|
最大載重
|
材質
|
訂貨編號
|
|
131
|
103
|
18
|
φ60
|
16
|
600kg
|
碳鋼/不銹鋼
|
CE-CFJ16×100-φ60
|
|
130
|
105
|
18
|
φ60
|
12
|
1200kg
|
CE-CFJ12×100-φ60
|
|
|
180
|
150
|
18
|
φ80
|
16
|
1500kg
|
CE-CFJ16×150-φ80
|
|
|
235
|
200
|
18
|
φ100
|
20
|
2000kg
|
CE-CFJ20×200-φ100
|
| ? |
|
金屬蹄腳屬于高強度支撐配件,其材質可以分為碳鋼和不銹鋼兩種,可以根據不同的使用需求進行選擇;金屬蹄腳在使用過程中可以根據不同的需求通過旋轉跳腳高度,最大高度為180mm,且每種規格螺桿的直徑不同,分別適用于不同規格工業鋁型材中心螺紋孔,設計師在選型時需要嚴格參照其技術參數或咨詢相關技術人員; |
聯系APAS/ Contact us
天津艾普斯工業鋁型材股份有限公司
聯系電話:022-87920088
企業傳真:(避免惡意廣告)請聯系該企業網絡管理員
服務熱線:13702119190 (24小時服務熱線)
Q Q:534973906
企業郵箱: lxc@apas.com.cn
企業地址:天津市西青經濟技術開發區賽達國際工業城A3-2
聯系電話:022-87920088
企業傳真:(避免惡意廣告)請聯系該企業網絡管理員
服務熱線:13702119190 (24小時服務熱線)
Q Q:534973906
企業郵箱: lxc@apas.com.cn
企業地址:天津市西青經濟技術開發區賽達國際工業城A3-2
采購意向留言:* 為必填















QQ咨詢
電話聯系
聯系電話

在線留言
樣冊下載
