鋁型材配件
Product accessories
Product accessories
聯系APAS / Contact us
- 地址:天津市西青經濟技術開發區賽達國際工業城A3-2.
- 郵箱:lxc@apas.com.cn
- 電話:022-87920088
- 傳真:請聯系網絡管理員
- 郵編:300385
- 咨詢熱線:13702119190(24小時服務熱線)
鋁型材支撐配件 / Support fittings
產品名稱 / Name
平板活動腳輪(帶剎車)
產品描述 / Describe
平板活動腳輪(有剎車)主要應用于工業鋁型材組裝搭建的設備框架、物料周轉車等框架結構底部移動支撐作用,從而實現車間設備可移動功能,同時還可以將設備固定于指定區域;
022-87920088
可以根據需求進行設計加工,提供上門安裝服務;可以根據特殊需求進行鋁型材開模定制。
* 免費提供工業鋁型材選型手冊 →點擊咨詢
|
|
| ? |
|
帶剎車平板活動腳輪主要適用于鋁型材制作的設備框架、物料車、貨架等裝備框架,具有多種規格型號,分別適用于不同承載需求以及采用不同鋁型材規格設計搭建的框架裝備,設計師在進行平板活動腳輪選型時需要嚴格參照框架物理參數、型材規格以及安裝需求等技術參數,以避免因選型不合理影響其性能的穩定性; |
| ? |
![]() ![]()
|
|
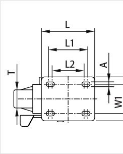
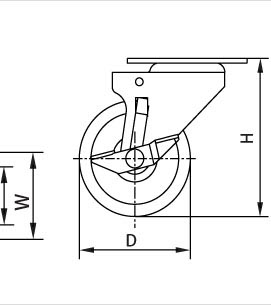
(帶剎車平板活動腳輪/萬向腳輪技術參數)
|
| ? |
|
訂貨編號
|
剎車
|
規格
|
顏色
|
D
|
T
|
H
|
L
|
L1
|
L2
|
W
|
W1
|
A
|
載重
|
|
CE-PW50D-C
|
有
|
2"
|
黑色
|
φ50
|
26
|
74
|
70
|
55
|
55
|
51
|
35
|
8.5
|
50kg
|
|
CE-PW60D-C
|
有
|
2.5"
|
黑色
|
φ62
|
32
|
80
|
95
|
78
|
71
|
66
|
45
|
8.5
|
80kg
|
|
CE-PW75D-C
|
有
|
3"
|
黑色
|
φ75
|
32
|
112
|
95
|
78
|
71
|
66
|
45
|
8.5
|
112kg
|
|
CE-PW100D-C
|
有
|
4"
|
黑色
|
φ100
|
32
|
135
|
95
|
78
|
71
|
66
|
45
|
8.5
|
135kg
|
|
CE-PW125D-C
|
有
|
5"
|
黑色
|
φ125
|
32
|
152
|
95
|
78
|
71
|
66
|
45
|
8.5
|
152kg
|
|
注:以上表格中尺寸單位為毫米;
|
|||||||||||||
| ? |
|
帶剎車平板活動腳輪的優勢在于可以根據需求將設備框架、物料車、貨架等裝備固定于指定位置,其操作簡單,只需要將剎車踩下即可,移動時將剎車板起即可靈活移動,應用非常靈活便捷;將平板活動腳輪安裝于鋁型材框架底部需要借助專用腳輪安裝板以及緊固連接件方可實現快速組裝; |
聯系APAS/ Contact us
天津艾普斯工業鋁型材股份有限公司
聯系電話:022-87920088
企業傳真:(避免惡意廣告)請聯系該企業網絡管理員
服務熱線:13702119190 (24小時服務熱線)
Q Q:534973906
企業郵箱: lxc@apas.com.cn
企業地址:天津市西青經濟技術開發區賽達國際工業城A3-2
聯系電話:022-87920088
企業傳真:(避免惡意廣告)請聯系該企業網絡管理員
服務熱線:13702119190 (24小時服務熱線)
Q Q:534973906
企業郵箱: lxc@apas.com.cn
企業地址:天津市西青經濟技術開發區賽達國際工業城A3-2
采購意向留言:* 為必填















QQ咨詢
電話聯系
聯系電話

在線留言
樣冊下載
