鋁型材配件
Product accessories
Product accessories
聯系APAS / Contact us
- 地址:天津市西青經濟技術開發區賽達國際工業城A3-2.
- 郵箱:lxc@apas.com.cn
- 電話:022-87920088
- 傳真:請聯系網絡管理員
- 郵編:300385
- 咨詢熱線:13702119190(24小時服務熱線)
鋁型材配件 / Profile Accessories
產品名稱 / Name
推入式線夾
產品描述 / Describe
推入式線夾是鋁型材設備框架中較為常用的一種線纜固定配件,其優勢主要體現于推入式線夾安裝簡單,只需要將線夾插入型材槽內即可利用其W形結構和弧形結構設計進行鎖緊,應用較為便捷簡單;
022-87920088
可以根據需求進行設計加工,提供上門安裝服務;可以根據特殊需求進行鋁型材開模定制。
* 免費提供工業鋁型材選型手冊 →點擊咨詢
|
|
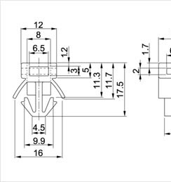
| 推入式線夾是最為常用的線體固定配件,主要應用于鋁型材設備框架線纜的固定排列,安裝時只需要將線夾底部推入型材槽內即可;推入式線夾為PA材質,底部W型結構設計可以將線夾直接固定于鋁型材框架指定安裝點; |
![]() ![]()
|
|
(推入式線夾技術參數)
|
|
名稱
|
材質
|
訂貨編號
|
|
推入式線夾
|
PA(透明)
|
CE-XJ-8
|
| 推入式線夾屬于PA材質,結合其W形結構配合弧形結構設計,可以將線夾固定于鋁型材框架指定安裝點;推入式線夾安裝時只需要將線夾底部推入型材槽內,弧形結構彈起,將線夾固定于安裝點,應用起來非常簡單便捷; |
聯系APAS/ Contact us
天津艾普斯工業鋁型材股份有限公司
聯系電話:022-87920088
企業傳真:(避免惡意廣告)請聯系該企業網絡管理員
服務熱線:13702119190 (24小時服務熱線)
Q Q:534973906
企業郵箱: lxc@apas.com.cn
企業地址:天津市西青經濟技術開發區賽達國際工業城A3-2
聯系電話:022-87920088
企業傳真:(避免惡意廣告)請聯系該企業網絡管理員
服務熱線:13702119190 (24小時服務熱線)
Q Q:534973906
企業郵箱: lxc@apas.com.cn
企業地址:天津市西青經濟技術開發區賽達國際工業城A3-2
采購意向留言:* 為必填















QQ咨詢
電話聯系
聯系電話

在線留言
樣冊下載
