鋁型材配件
Product accessories
    Product accessories
聯系APAS / Contact us
- 地址:天津市西青經濟技術開發區賽達國際工業城A3-2.
- 郵箱:lxc@apas.com.cn
- 電話:022-87920088
- 傳真:請聯系網絡管理員
- 郵編:300385
- 咨詢熱線:13702119190(24小時服務熱線)
						    鋁型材配件 / Profile Accessories
					    
						
						產品名稱 / Name
										滑動掛鉤
									產品描述 / Describe 
										該系列滑動掛鉤主要應用于6063-T5系列槽8規格工業鋁型材框架領域,可以將滑動掛鉤直接置入鋁型材凹槽內,用于一些常用工具的吊裝固定,常用于工作臺、貨架、鋁型材框架等領域;
										 022-87920088
022-87920088
										可以根據需求進行設計加工,提供上門安裝服務;可以根據特殊需求進行鋁型材開模定制。
*  免費提供工業鋁型材選型手冊       →點擊咨詢
									|   | 
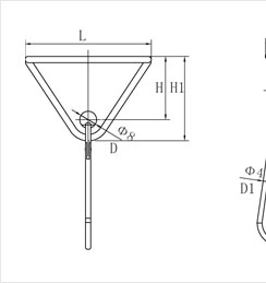
| 滑動掛鉤是一種應用于工業鋁型材設計搭建的工作臺框架、設備框架、物料車等裝備中的可調節掛具安裝配件,主要用于一些常用工具(氣動工具、電動工具、銘牌等)吊裝,可自由調節位置; | 
|     | 
| 
					(鋁型材框架用活動掛鉤技術參數)
				 | 
| 
					型材
				 | 
					槽型
				 | 
					L
				 | 
					L1
				 | 
					L2
				 | 
					H
				 | 
					H1
				 | 
					H2
				 | 
					H3
				 | 
					D
				 | 
					D1
				 | 
					材質
				 | 
					訂貨編號
				 | 
| 
					30
				 | 
					槽8
				 | 
					60
				 | 
					14
				 | 
					5.5
				 | 
					30
				 | 
					40
				 | 
					3
				 | 
					50
				 | 
					φ8
				 | 
					φ4
				 | 
					滑塊:鑄鋁/尼龍
				 | 
					CE-SH8-30
				 | 
| 
					40
				 | 
					槽8
				 | 
					60
				 | 
					18
				 | 
					4
				 | 
					25
				 | 
					36
				 | 
					3
				 | 
					60
				 | 
					φ8
				 | 
					φ5
				 | 
					CE-SH8-40
				 | |
| 
					45
				 | 
					槽8
				 | 
					59
				 | 
					16
				 | 
					9
				 | 
					31
				 | 
					41
				 | 
					3
				 | 
					60
				 | 
					φ8
				 | 
					φ5
				 | 
					掛鉤:鋁合金
				 | 
					CE-SH8-45
				 | 
| 
					50
				 | 
					槽8
				 | 
					60
				 | 
					18
				 | 
					4
				 | 
					25
				 | 
					36
				 | 
					3
				 | 
					60
				 | 
					φ8
				 | 
					φ5
				 | 
					CE-SH8-50
				 | 
| 滑動掛鉤屬于非常實用的鋁型材配件產品,其使用范圍較為廣泛,安裝時只需要將滑塊置入工業鋁型材凹槽內,即可實現組裝,可自由調節位置;滑動掛鉤分為尼龍材質和鑄鋁材質,可以根據其強度要求進行選擇; | 
| 注:滑動掛鉤只適用于槽8規格以及槽10規格工業鋁型材產品; | 
 聯系APAS/ Contact us
聯系APAS/ Contact us
            天津艾普斯工業鋁型材股份有限公司
聯系電話:022-87920088
企業傳真:(避免惡意廣告)請聯系該企業網絡管理員
服務熱線:13702119190 (24小時服務熱線)
Q Q:534973906
企業郵箱: lxc@apas.com.cn
企業地址:天津市西青經濟技術開發區賽達國際工業城A3-2
    聯系電話:022-87920088
企業傳真:(避免惡意廣告)請聯系該企業網絡管理員
服務熱線:13702119190 (24小時服務熱線)
Q Q:534973906
企業郵箱: lxc@apas.com.cn
企業地址:天津市西青經濟技術開發區賽達國際工業城A3-2
 采購意向留言:*  為必填
采購意向留言:*  為必填

 
				 首頁
首頁 
    


 
											








 
				 QQ咨詢
QQ咨詢
			 電話聯系
電話聯系
			 聯系電話
聯系電話
					
 在線留言
在線留言
			 樣冊下載
樣冊下載
			 
			 
				